Wentylator kanałowy ML PRO 160/600
Opis
Wentylator kanałowy ML PRO 160/600
Kod produktu: 12654900
ZALETY: ![]()
- diagonalny wirnik - do 50% lepsza sprawność
- demontowalne króćce - prosty montaż
- 3 biegowy silnik - prosta regulacja
- temperatura pracy: 50 ÷ 60°C w zależności od modelu
ZASTOSOWANIE:
Systemy wentylacji ogólnej budynków mieszkalnych, domów jednorodzinnych, budynków użyteczności publicznej, biur, sklepów, magazynów itp.
KONSTRUKCJA:

Wentylatory ML PRO wyposażono w specjalnie wyprofilowany wirnik diagonalny. Dodatkowe trójwymiarowe kierownice ograniczają burzliwość strumienia powietrza, oraz wyrównują prędkości przepływu w całym przekroju za wentylatorem. Zastosowane elementy aerodynamiczne znacznie redukują opory przepływającego powietrza, dzięki czemu wentylatory ML PRO osiągają jedne z najwyższych wartości sprawności w swojej klasie oraz charakteryzują się cichą pracą. Obudowę wykonano z wysokiej klasy tworzywa PPGF30 (polipropylen z dodatkiem 30% włókna szklanego, kolor RAL7012), odpornego na korozję oraz czynniki atmosferyczne.
Urządzenie składa się z trzech głównych elementów: płyty montażowej, zespołu silniko-wirnika ze zintegrowaną puszką podłączeniową, oraz króćców przyłączeniowych. Całość połączono za pomocą dwóch uchylnych klamer. Montaż wentylatorów można wykonać w dowolnej pozycji, a zespół silniko-wirnika obracać pod dowolnym kątem. Takie rozwiązanie konstrukcyjne ułatwia również czyszczenie oraz konserwację urządzeń, gdyż dostęp do poszczególnych elementów nie wymaga demontażu kanałów wentylacyjnych.
WIRNIK:

W wentylatorach ML PRO zastosowano unikalny wirnik diagonalny wyprofilowany trójwymiarowo wykonany z tworzywa sztucznego.
Wirniki wyważane dynamicznie w dwóch płaszczyznach (G6.3 DIN ISO 1940). Łopatki umieszczono na stożkowej piaście, dzięki czemu powietrze kierowane jest na najbardziej efektywną część wirnika zwiększając sprawność ogólną pracy urządzenia.
NAPĘD I STEROWANIE:

Napęd stanowią trzybiegowe silniki elektryczne przeznaczone do sterowania za pomocą przełącznika biegów.
Opcjonalnie istnieje możliwość napięciowej regulacji prędkości obrotowej na najwyższym biegu za pomocą regulatorów transformatorowych. Zasilanie jednofazowe 230V, 50Hz. Silniki posiadają zintegrowane zabezpieczenie termiczne z resetem automatycznym. Stopień ochrony IPX4, klasa izolacji F.
DANE TECHNICZNE:
| Typ | Vmax [m3/h] | Δpmax [Pa] | Pmax [W] | U [V] | Imax [A] | RPMmax [1/min] | LWA [dB(A)] | LpA | tmax [oC] | m [kg] | nr katalogowy |
|---|---|---|---|---|---|---|---|---|---|---|---|
| ML PRO 150/600 | 600 | 240 | 46 | 230 | 0,3 | 2830 | 57 | 50 | 60 | 2,4 | 12654700 |
| ML PRO 160/600 | 615 | 240 | 45 | 230 | 0,3 | 2820 | 57 | 50 | 60 | 2,5 | 12654900 |
| ML PRO 200/1200 | 1220 | 360 | 117 | 230 | 0,6 | 2850 | 59 | 52 | 60 | 4 | 12724900 |
| ML PRO 250/1600 | 1625 | 440 | 160 | 230 | 0,8 | 2890 | 61 | 54 | 50 | 5,3 | 12731700 |
| ML PRO 280/2100 | 2170 | 510 | 239 | 230 | 1,1 | 2830 | 63 | 57 | 60 | 7,7 | 13047100 |
| ML PRO 315/3100 | 3180 | 660 | 436 | 230 | 2,1 | 2850 | 68 | 62 | 55 | 12,4 | 13067700 |
| ML PRO 400/3300 | 3290 | 270 | 211 | 230 | 1,0 | 1440 | 57 | 50 | 60 | 15,7 | 12916500 |
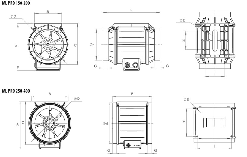
WYMIARY:


KARTA KATALOGOWA
ZNAK ZGODNOŚCI:

